
型號意義

產品簡介
AS切割撕裂式潛水泵適用於輸送含有堅硬固體、纖維物的液體,以及特別髒、粘和滑的液體。所有AS泵均裝有經調整好的撕裂機構,能將汙水中長纖維、袋、帶、草、布等撕裂後排出。因此,在汙水中工作不會堵塞,運行可靠。
產品特點
1.排汙能力強,無堵塞,能有效地通過直徑φ30~φ80毫米的固體顆粒。
2.撕裂機構能將纖維狀物質撕裂,切斷,然後順利排放,無需在泵上加濾網。
3.設計合理,配套電機功率小,節能效果顯著。
4.采用機械密封,可以使泵安全連續運行在8000小時以上。
5.結構緊湊,移動方便,安裝簡單,可減少工程造價,無須建泵房。
6.能夠在全揚程範圍內使用,而保證電機不會過載。
7.浮球開關可以根據所需的水位變化,自動控製泵的啟動與停止,不需專人看管。
8.雙導軌自動安裝係統,它給安裝,維修帶來了極大的方便,人可不必為此而進出汙水坑。
9.配備全自動保護控製箱對產品的漏電、漏水以及過載等進行了有效保護,提高了產品的安全性和可靠性。
產品用途
1、工廠、商業嚴重汙染廢水的排放。
2、城市汙水處理廠排水係統。
3、住宅區的汙水排水站。
4、人防係統排水站。
5、醫院、賓館的汙水排放。
6、市政工程建築工地。
7、勘探、礦山配套附機。
8、農村沼氣池、農田灌溉。
工作條件
AS:連續使用時約40℃。間歇使用(不超過5分鍾)為80℃。
AS:係列泵主要零件材料為鑄鐵,所以不能應用於抽吸高度腐蝕性液體。
結構說明
1、泵結構緊湊,體積小,外形美觀,占地麵積小,節省建築費用;
2、泵的吸入口和出水口在同一中心線上,簡化管路的連接;
3、根據實際情況,泵的進出口可裝配成90°、180°、270°不同的方向;
4、根據實際情況,泵的出口可裝配成1~5個出口,以滿足同一台泵上獲得不同的揚程;
性能參數
型號 |
流量 |
揚程 |
電機功率 |
轉速 |
額定電壓 |
額定電流 |
配用膠管內徑 |
自耦裝置 |
重量 |
(m3/h) |
(M) |
(kw) |
(r/min) |
(V) |
(A) |
mm |
|||
AS10-2W/CB |
15 |
4 |
1.1 |
2850 |
220 |
5.65 |
76 |
80GAK |
30 |
AS10-2CB |
15 |
4.5 |
1.1 |
2850 |
380 |
2.9 |
76 |
80GAK |
30 |
AS16-2CB |
29 |
7.6 |
1.5 |
2850 |
380 |
3.5 |
76 |
80GAK |
33 |
AS30-2CB |
42 |
11 |
3 |
2850 |
380 |
6.4 |
76 |
80GAK |
40 |
AS55-2CB |
45 |
13 |
5.5 |
2900 |
380 |
11.1 |
127 |
100GAK |
165 |
AS55-4CB |
100 |
7.5 |
5.5 |
1450 |
380 |
11.6 |
152 |
150GAK |
180 |
AS75-2CB |
60 |
18 |
7.5 |
2900 |
380 |
15.0 |
127 |
100GAK |
185 |
AS75-4CB |
145 |
10 |
7.5 |
1450 |
380 |
15.4 |
152 |
150GAK |
200 |
AV14-4 |
22 |
5.8 |
1.5 |
1450 |
380 |
3.5 |
76 |
80GAK |
33 |
AV55-2 |
30 |
20 |
5.5 |
2900 |
380 |
11.1 |
76 |
100GAK |
165 |
AV75-2 |
30 |
25 |
7.5 |
2900 |
380 |
15.0 |
76 |
100GAK |
200 |
性能曲線
![]() |
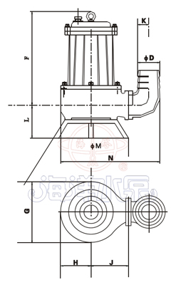
外形尺寸
![]() |
型號 |
D |
F |
G |
H |
J |
K |
L |
M |
N |
AS10-2W/CB |
76 |
280 |
220 |
110 |
130 |
70 |
100 |
210 |
373 |
|
AS10-2CB |
76 |
280 |
220 |
110 |
130 |
70 |
100 |
210 |
373 |
|
AS16-2CB |
76 |
280 |
220 |
110 |
130 |
70 |
100 |
210 |
373 |
|
AS30-2CB |
76 |
335 |
220 |
110 |
155 |
70 |
100 |
260 |
398 |
|
AS55-2CB |
127 |
630 |
350 |
175 |
240 |
160 |
310 |
430 |
688 |
|
AS55-4CB |
127 |
630 |
350 |
175 |
240 |
160 |
310 |
430 |
688 |
|
AS75-2CB |
152 |
655 |
400 |
205 |
248 |
190 |
335 |
430 |
740 |
|
AS75-4CB |
152 |
655 |
400 |
205 |
248 |
190 |
335 |
430 |
740 |
運輸與使用注意事項
1、決不允許用的電纜線起吊或懸掛水泵,在搬運或懸掛水泵時,可用帶鉤的鏈條鉤在把手上或上蓋的吊環上;
2、在移動使用時,出水軟管可用前麵表格規定的標準軟管接頭,接在水泵的出水彎管上,固定使用時,可根據自耦裝置的法蘭標準設置管路;
3、水泵不能放在汙水的出口處,當水泵座放在泥地上或浮沙上時,水泵由於震動,產生下陷,這時建議用戶將泵懸置置或放在一個較大的底板上;
4、如果泵仍在繼續運轉,在0℃以下的氣溫時,可以繼續使用,但如果停止不用時,則應將泵吊起清洗保管;
5、出水管內徑應符合規定的要求,但在輸送距離較遠時,也可適當減小內徑但易引起堵塞,降低輸送效率,不經濟;
6、在汙水中使用的泵,經過長時間運轉之後,在機殼的周圍可能堆集泥漿等雜物,降低了傳熱的速度,使泵的內部溫度上升,縮短電機的使用壽命,或造成無緣無故的跳閘,因此,每運轉一定時段之後〔比如降至低水位)應用軟管對泵進行衝洗,保持其淸潔;
7、泵密封使用10#-30#機械油進行潤滑冷卻,由於密封磨損,潤滑油會漏出,而轍送介質也可能經過密封逬入電機,這時請趕快將泵送至本廠修理部門或委托維修點更換密封,以免將水泵電機燒壞;
8、未切斷電源時,不得移動水泵,不得在泵工作吋接觸四周的水源,以防泵萬一漏電,而又無地麵漏電斷流器裝置時,造成觸電事故;
9、潛水電泵安裝以後,不宜長期浸泡在水中不用,從而增加電機受潮的機會,同時建議每周至少運轉4小時以檢查其功能及適應性,否則,應提起放在幹燥處備用。
使用說明
在水泵啟動之前,應由一名合格的電工對該係統進行檢查,以確保下列下述各頂所要求的電器保護措施:
1、泵在運轉前,應用0~500兆歐表檢查電機相間及相對地絕緣電阻,低値應大於2MΩ;
2、電源裝置應安全、可靠、正常。電源電壓、頻率應符合規定(電壓為380V±5%,頻率為50Hz±1%),且電壓的瞬時超差不應超過10%。如電源離水泵使用的距萬較遠時,電纜的截麵積應加粗,接頭應盡可能少些,否則會使電壓下降太多,且應在電纜接頭處作密封防水處理,以防漏電;
3、在四芯電纜中,帶有符號"┴"者為接地線(一般為綠黃雙色線或黑色線)為了保證安全使用, 必須牢固接地,並比其它線長出50mm;
4、條件許可時,電器保護裝置可包括:接地保護器,地麵漏電斷流器等,但是在任何情況下,都必須裝有和電泵額定電流値相符的慢熔保險熔斷絲
5、電器控製裝置應防潮,井安裝在防潮的區域,電纜的安放應注意不要使其堵在泵的吸入口處;
6、檢查轉子轉動方向。
在電泵初次啟動或重新安裝後都應檢查轉動方向,轉動方向不正確運轉會造成水泵效率降低,或造成葉輪脫落等損壞水泵事頂。
為測定轉子轉動方向,在水泵安裝之前,應舉高並作點動運行,符合下列情況即轉動方向正確, 否則,應交換控製器上三相線中任意兩根線的位置以改變轉動方向。
a、從泵的頂部向下看,轉子順時針方向轉動;
b、從底部向上看〔即吸入口方向〕可見葉片按逆時針方向轉動。
注:如果幾台泵連到同一個控製器上,則應單獨檢查。
維護與保養說明
AS泵產品可靠,性能優良。每台在出廠前,都認真地進行了檢驗.潤滑的滾珠軸承使水泵具有耐用性。然而,為了保證水泵的使用壽命,建議進行定期的檢查和保養。
1.底座蓋板的調整:
在有磨損的介質中長期使用之後,葉輪和底座蓋板之間的間隙可能增大。拆掉電源,鬆開固定螺絲,旋轉蓋板,便可以將間隙調整到原來的狀態(03-0.5MM).
2.清洗:
為防止水泵在不用時,內部積有雜質,可用泵抽清潔的水來清洗水泵。水泵長期不用,應置於幹燥處,並注意防凍.
3.注油與換油
AS切割式潛汙泵的油室在出廠包裝前,已注入適量的潤滑油.該油應每年進行更換。換油應按下列方法進行:把泵放置好,使得油室螺塞(位於出水口內側)朝下,擰鬆螺塞,放出潤滑油,然後用洗滌油清洗油室,再注入適量的油(約70-80%),換一個新的。型圈,將螺塞旋緊。如果油中發現有水(奶狀乳化腳,按規定衝洗油室並重新裝油,裝緊帶新的。形圈的螺塞。三個星期後必須重新檢查一次,如果油又變成乳狀液,機械密封件應進行檢查。必要時應更換(於我廠維修部接治)。如呆自己更換密封孔,須做氣密試驗.(空氣壓力。_5kg/c時)潤滑油:10[#]機械油
4.運轉故障
萬一運轉發生故障,不能確定原因,並且按後麵提出的排除故障方法仍不能解決時,請不要采取臨時湊的辦法,也不要私自亂拆亂修,而應與我廠維修部門聯係。這一點尤其適用於由於控製部分中過流斷路而引起的反複跳閘現象。
安裝注意事項
正確安裝使用是該泵長久,正常運轉的基本保證,特別提醒用戶千萬不可大意:
1、水泵電源線必須與配套電控裝置或匹配熱繼電保護器相連接,不得直接與總電源相接;
2、無論是移動安裝還是自動固定式安裝,提泵鏈索及電纜線均不應垂落太長以免被泵吸進切斷;
3、積水池底部泥漿過綢或硬石過多時,應將泵置於該物質之上30cm或將泵放置於一塊大的鐵板之上;
4、水泵排水管應按說明選用,不宜隨便改變;
5、單台水泵安裝在水無可能回流情況下,盡可能不裝止回閥;
6、雙台水泵並聯時,不得將閘閥及止回閥安置在主管處,以致泥沙反沖至備用泵上端造成止回閥不能啟動,如有可能應在橫管處設幹井,安裝置放止回閥及閈閥;
7、確保水泵轉向正確後,方可投入連續運轉;
8、本係列水泵長期使用過程中,無論自動、手動,不得頻繁啟動,一般每小時不宜超過六次;
9、維修水泵時,必須切斷電源。
故障分析及其排除方法
故障原因 |
原因分析 |
處理方法 |
泵的流量 或揚程下降 |
1.泵反轉 2、輸送揚程太高。 3、抽吸的介質走旁路。 4、出水管泄漏。 5、出水管局部可能被沉積物堵死 6、泵局部堵塞。 7、葉輪/底座磨損。 |
1、關掉控製箱的總電源,洞換任何二相電源線。 2、檢查:a、選擇的泵型號是否正確。b、出水管尺寸是否正確。 3、檢查閥門是否被關死,然後滿員載測試泵。 4、找出泄漏,幷逬行修正。 5、檢查管線,清理或更換新的。 6、吊起泵湧理,如果泵放在濾網內,同樣也需檢查和清理 7、吊起泵凋整間隙或更換零件。 |
泵的運轉 後無流量 |
1、氣塞。 2、檢查出水排放閥門。 3、泵反轉。 |
1、a、接二連三地打幵和關閉閥門幾次。 b、啟動停止泵幾次,每次重新啟動之間間隙為2—3分鍾 c、根據不同的安裝方法,檢査是否需裝一個空氣釋放閥 2、a、如果閥門處於關閉狀態應打幵。 b、如果裝反了,應重新倒過來。 3、參見1.(1) |
泵起動和 停止太頻繁 |
1、浮球開關定的距離太短。 2、逆止閥故障,逆止閥不能止回, 使液體倒流入汙水池。 |
1、重調浮球開關,延長運行時間。 2、檢查並維修。 |
停止失靈 |
1、浮球幵關,亭止"功能失靈”。 2、浮球上浮子卡在"工作"的位置 |
1、檢查,如需要應予更換。 2、忪幵,如需要的活,可改変位置。 |
泵起動後, 斷路器過載器 跳開 |
1、電壓低。
2、電壓過高。 3、電譏接線不對 4、電容器參數不對。 5、控製盒或電容器故障。 6、在蝸殼底部堆積了泥漿或它沉積物。 |
1、a、檢查控製盒電壓,如電壓過低,暫時不能使用。 b、電纜線過長,引起壓降過大,應盡量縮短電纜,幷適當選擇粗些的電纜 2、裝變壓器,將電壓洞到規定的範圍。 3、檢查在控製盒中的電纜彩色編號和接頭標號並檢查接線 4、確保使用斷電器是否能開啟電容器。 5、a、仔細檢查布線、電容器等。禁止用超過推薦數值的原件來更換斷路器。 b、檢查斷電器是否能開啟電容器。 6、清理泵和汙水池,參見安裝說明中的有關部分。 |
泵不能啟動, 熔絲熔斷或 斷路器跳開 |
1、浮球故障。 2、繞組、接頭或電纜斷路。 3、泵被堵塞 |
1、檢查使用旁路浮球幵關是否能啟動泵。如是,應檢查浮球幵關。 2、用歐姆表檢查。如果證明是路,檢查繞組,接線頭及電纜。 3、切斷電源,將泵移出汙水池,清除障礙物複位前試用一下。 |
泵啟動不了, 但熔絲沒斷 或過載保護器不跳開 |
1、沒電。 2、繞組、電纜、接線頭或控製麁斷路。 |
1、檢查控製盒是否有電。 2、檢查電纜、電機的接頭和繞組。 |