
型號意義

產品簡介
FPZ增強聚丙烯耐腐蝕自吸化工泵,采用增強聚丙烯(CFR-PP)一次注塑成型。機械強度高,耐腐蝕性能強,結構上有獨具一格的科學性,泵腔內設有吸液室、儲液室、回液止回室、氣液分離室、回流孔。隻需在第一次開機前灌注引液,以後不必重複灌注引液,吸入管安裝液下閥,工作時機械密封不需另加冷卻水冷卻,操作簡便、安全無泄漏,是取代液下泵的理想產品,適用於-40℃-80℃(CFR-PP)的各種腐蝕性介質的輸送。
產品用途
FPZ增強聚丙烯耐腐蝕自吸化工泵適用於:化工、製藥、食品、冶煉、環保、汙水處理、無機鹽等行業。
型譜圖
![]() |
注意事項
1、FPZ增強聚丙烯耐腐蝕自吸化工泵在安裝使用前(由於長途運輸)必須仔細檢查各部緊固體是否鬆動,若有鬆動應重新緊固,檢查泵軸與電機軸的同心度,如有偏離必須校正。
2、安裝管道不可直接支撐在泵的進出口法蘭上,必須另設支撐點,以防變形損壞。進口管路要盡量減少管路水力損失,90°彎頭不得超過兩個,吸入管不得漏氣,否則會影響抽真空吐液時間或出現不吐液及流量,揚程不足。
3、第一次使用開機前打開液蓋,將引液注滿泵體,並將液液蓋擰緊,不得漏氣,嚴禁脫液空轉及反轉。
4、輸送液不能含有泥沙或較長軟纖維,以防的是損壞葉輪及機械密封。
5、泵的出口應裝閥門,先關閥再停機,先開機再開閥。
保養及維修
1、使(shi)用(yong)一(yi)段(duan)時(shi)間(jian)後(hou),發(fa)現(xian)機(ji)械(xie)密(mi)封(feng)端(duan)麵(mian)泄(xie)漏(lou),是(shi)羰(tang)麵(mian)磨(mo)損(sun)所(suo)致(zhi),應(ying)調(tiao)整(zheng)動(dong)環(huan),放(fang)鬆(song)不(bu)鋼(gang)鏽(xiu)鋼(gang)半(ban)圓(yuan)的(de)兩(liang)顆(ke)螺(luo)釘(ding),適(shi)用(yong)向(xiang)前(qian)推(tui)進(jin),用(yong)手(shou)旋(xuan)轉(zhuan)泵(beng)軸(zhou)以(yi)輕(qing)鬆(song)無(wu)阻(zu)力(li)為(wei)佳(jia),為(wei)鬆(song)會(hui)產(chan)生(sheng)泄(xie)漏(lou),過(guo)緊(jin)易(yi)磨(mo)損(sun)影(ying)響(xiang)機(ji)械(xie)密(mi)封(feng)的(de)壽(shou)命(ming)。
2、每天連續開機8~16個小時。24小xiao時shi連lian續xu運yun轉zhuan的de應ying有you備bei件jian,定ding期qi更geng換huan維wei修xiu,更geng換huan期qi一yi般ban為wei二er至zhi三san個ge月yue,到dao期qi都dou應ying拆chai下xia來lai檢jian修xiu。不bu影ying響xiang生sheng產chan,非fei連lian續xu運yun轉zhuan生sheng產chan的de可ke隨sui時shi檢jian修xiu。
3、輸送介質比生大於1.2時應另配電機,否則將影響揚程或導致電機燒壞。
4、拆卸順序為:卸下電機、支架、底板螺釘、卸下機械密封罩,準予卻水咀、鬆開動環卡環螺栓,靜環壓板螺栓、前後泵蓋螺栓,將葉輪軸拉杆馮定螺釘擰鬆,擰出3~5mm,用鐵錘敲打拉杆,將葉輪打鬆後,卸下拉杆、葉輪和機械密封,在卸機械密封件時應手工操作,不可用金屬工具敲打,嚴防損壞。
5、檢修:清除泵殼、前後泵蓋、葉輪、機(ji)械(xie)密(mi)封(feng)組(zu)件(jian)內(nei)的(de)汙(wu)物(wu),並(bing)衝(chong)刷(shua)幹(gan)淨(jing),無(wu)損(sun)壞(huai)的(de)可(ke)繼(ji)續(xu)使(shi)用(yong),檢(jian)查(zha)機(ji)械(xie)密(mi)封(feng)兩(liang)端(duan)麵(mian)有(you)無(wu)損(sun)壞(huai),動(dong)環(huan)端(duan)麵(mian)磨(mo)損(sun)或(huo)劃(hua)傷(shang)較(jiao)少(shao)的(de)可(ke)用(yong)細(xi)金(jin)相(xiang)砂(sha)放(fang)在(zai)平(ping)板(ban)進(jin)行(xing)磨(mo)平(ping),可(ke)繼(ji)續(xu)使(shi)用(yong)。
性能參數
型號 |
口徑(mm) |
流量 (m3/h) |
揚程 (m) |
電機功率(kw) |
轉速 (r/min) |
自吸高度(m) |
|
進口 |
出口 |
||||||
25FPZ-10 (自吸) |
25 |
25 |
2.5 |
10 |
0.75 |
2900 |
3 |
32FPZ-11 (自吸) |
32 |
25 |
3.5 |
11 |
0.75 |
2900 |
3 |
40FPZ-18(自吸) |
40 |
32 |
11 |
18 |
1.5 |
2900 |
4 |
50FPZ-20 (自吸) |
50 |
40 |
13 |
20 |
2.2 |
2900 |
4 |
65FPZ-25 (自吸) |
65 |
50 |
20 |
25 |
4 |
2900 |
4 |
80FPZ-32 (自吸) |
80 |
65 |
50 |
32 |
7.5 |
2900 |
4 |
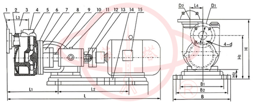
結構及安裝尺寸圖
![]() |
1 |
進口法蘭 |
9 |
葉輪軸 |
2 |
前泵蓋 |
10 |
支架 |
|
3 |
出口法蘭 |
11 |
加油蓋 |
|
4 |
注液體 |
12 |
拉杆螺絲 |
|
5 |
泵殼 |
13 |
聯軸器 |
|
6 |
葉輪 |
14 |
底板 |
|
7 |
後泵蓋 |
15 |
電機 |
|
8 |
機械密封 |
型號 |
L |
L1 |
L2 |
L3 |
L4 |
H |
H1 |
H2 |
B |
B2 |
B1 |
D1 |
D2 |
4-d |
25FPZ-10 |
460 |
290 |
100 |
110 |
60 |
260 |
190 |
50 |
150 |
110 |
110 |
100 |
85 |
12 |
32FPZ-11 |
460 |
290 |
100 |
110 |
60 |
260 |
190 |
50 |
150 |
110 |
110 |
100 |
85 |
18 |
40FPZ-18直聯式 |
560 |
345 |
100 |
110 |
70 |
285 |
200 |
50 |
190 |
140 |
140 |
110 |
100 |
18 |
40FPZ-18聯軸式 |
780 |
300 |
345 |
105 |
70 |
300 |
220 |
60 |
290 |
250 |
210 |
110 |
100 |
18 |
50FPZ-20直聯式 |
570 |
345 |
125 |
110 |
70 |
285 |
200 |
50 |
190 |
140 |
140 |
125 |
110 |
18 |
50FPZ-20聯軸式 |
790 |
290 |
345 |
105 |
70 |
300 |
220 |
60 |
290 |
250 |
210 |
125 |
110 |
18 |
65FPZ-28直聯式 |
670 |
400 |
140 |
145 |
80 |
340 |
250 |
50 |
240 |
190 |
190 |
145 |
125 |
18 |
65FPZ-28聯軸式 |
950 |
395 |
365 |
145 |
80 |
400 |
310 |
95 |
335 |
275 |
250 |
145 |
125 |
18 |
80FPZ-30 |
1030 |
422 |
385 |
175 |
110 |
420 |
325 |
100 |
380 |
330 |
255 |
150 |
145 |
18 |
材質的耐腐蝕性能
介質 |
濃度 |
CFR-PP |
介質 |
濃度 |
||||||
25℃ |
65℃ |
90℃ |
20℃ |
60℃ |
80℃ |
|||||
硫酸H2SO4 |
98% |
√ |
√ |
○ |
硫酸H2SO4 |
<30% |
√ |
X |
||
70% |
√ |
√ |
30~70% |
○ |
X |
|||||
1~50% |
√ |
√ |
√ |
>75% |
X |
X |
||||
硝酸HNO3 |
濃 |
√ |
√ |
○ |
硝酸HNO3 |
10% |
√ |
○ |
||
20% |
√ |
√ |
√ |
20% |
√ |
|||||
10% |
√ |
√ |
√ |
25~35% |
○ |
|||||
>50% |
X |
X |
||||||||
鹽酸HC1 |
0~30% |
√ |
○ |
X |
鹽酸HC1 |
>30% |
√ |
X |
||
氫氟酸 |
√ |
X |
X |
氫氟酸 |
>10% |
√ |
X |
|||
40~48% |
√ |
X |
||||||||
醋酸 |
1~50% |
√ |
√ |
√ |
醋酸 |
>20% |
√ |
○ |
||
磷酸 |
各種濃度 |
√ |
√ |
√ |
磷酸 |
>30% |
X |
X |
||
氫氧化鈉 |
√ |
√ |
√ |
氫氧化鈉 |
√ |
√ |
√ |
|||
氯化鋼 |
√ |
√ |
√ |
氯化鋼 |
√ |
√ |
X |
|||
氯化鋼 |
√ |
√ |
||||||||
乙醇 |
√ |
√ |
√ |
乙醇 |
√ |
√ |
||||
漂白液 |
√ |
√ |
√ |
漂白液 |
○ |
○ |
X |
|||
故障原因及排除方法
故 障 |
原 因 |
排除方法 |
泵不出液 |
1、泵反轉 2、進液管道漏氣 3、泵腔蓄液太少 4、吸程太高 5、底閥漏水 6、葉輪受阻不轉 |
1、改變電機接線 2、杜絕漏氣 3、增加蓄液位置 4、降低泵安裝位置 5、清理底閥 6、清洗泵殼、葉輪 |
流量不足 |
1、吸入管徑太小 2、葉輪流道阻塞 3、揚程過高 4、吸入管路有氣漏進 5、葉輪損壞 |
1、調換進液器 2、清洗葉輪 3、開大出液閥 4、杜絕漏氣 5、更換葉輪 |
揚程過低 |
1、流量過大 2、轉速太低 |
1、關小出水閥 2、恢複額定轉速 |
噪音過低 |
1、泵內有雜物 2、轉動件與固定件碰擦 3、軸嚴重磨損 |
1、檢查清理 2、調整間隙 3、更換泵軸 |
漏液 |
1、泵殼固定螺釘鬆動 2、機械密封嚴重磨損 |
1、擰緊螺釘 2、更換機械密封 |