
型號意義

產品簡介
FPZ增強聚丙烯耐腐蝕自吸泵,采用增強聚丙烯(CFR-PP)一次注塑成型。機械強度高,耐腐蝕性能強,結構上有獨具一格的科學性,泵腔內設有吸液室、儲液室、回液止回室、氣液分離室、回流孔。隻需在第一次開機前灌注引液,以後不必重複灌注引液,吸入管安裝液下閥,工作時機械密封不需另加冷卻水冷卻,操作簡便、安全無泄漏,是取代液下泵的理想產品,適用於-40℃-80℃(CFR-PP)的各種腐蝕性介質的輸送。
產品用途
FPZ增強聚丙烯耐腐蝕自吸泵適用於:化工、製藥、食品、冶煉、環保、汙水處理、無機鹽等行業。
型譜圖
![]() |
安裝使用注意事項
1、FPZ增強聚丙烯耐腐蝕自吸泵在安裝使用前(由於長途運輸)必須仔細檢查各部緊固體是否鬆動,若有鬆動應重新緊固,檢查泵軸與電機軸的同心度,如有偏離必須校正。
2、安裝管道不可直接支撐在泵的進出口法蘭上,必須另設支撐點,以防變形損壞。進口管路要盡量減少管路水力損失,90°彎頭不得超過兩個,吸入管不得漏氣,否則會影響抽真空吐液時間或出現不吐液及流量,揚程不足。
3、第一次使用開機前打開液蓋,將引液注滿泵體,並將液液蓋擰緊,不得漏氣,嚴禁脫液空轉及反轉。
4、輸送液不能含有泥沙或較長軟纖維,以防的是損壞葉輪及機械密封。
5、泵的出口應裝閥門,先關閥再停機,先開機再開閥。
保養及維修
1、使shi用yong一yi段duan時shi間jian後hou,發fa現xian機ji械xie密mi封feng端duan麵mian泄xie漏lou,是shi羰tang麵mian磨mo損sun所suo致zhi,應ying調tiao整zheng動dong環huan,放fang鬆song不bu鋼gang鏽xiu鋼gang半ban圓yuan的de兩liang顆ke螺luo釘ding,適shi用yong向xiang前qian推tui進jin,用yong手shou旋xuan轉zhuan泵beng軸zhou以yi輕qing鬆song無wu阻zu力li為wei佳jia,為wei鬆song會hui產chan生sheng泄xie漏lou,過guo緊jin易yi磨mo損sun影ying響xiang機ji械xie密mi封feng的de壽shou命ming。
2、每天連續開機8~16個小時。24小(xiao)時(shi)連(lian)續(xu)運(yun)轉(zhuan)的(de)應(ying)有(you)備(bei)件(jian),定(ding)期(qi)更(geng)換(huan)維(wei)修(xiu),更(geng)換(huan)期(qi)一(yi)般(ban)為(wei)二(er)至(zhi)三(san)個(ge)月(yue),到(dao)期(qi)都(dou)應(ying)拆(chai)下(xia)來(lai)檢(jian)修(xiu)。不(bu)影(ying)響(xiang)生(sheng)產(chan),非(fei)連(lian)續(xu)運(yun)轉(zhuan)生(sheng)產(chan)的(de)可(ke)隨(sui)時(shi)檢(jian)修(xiu)。
3、輸送介質比生大於1.2時應另配電機,否則將影響揚程或導致電機燒壞。
4、拆卸順序為:卸下電機、支架、底板螺釘、卸下機械密封罩,準予卻水咀、鬆開動環卡環螺栓,靜環壓板螺栓、前後泵蓋螺栓,將葉輪軸拉杆馮定螺釘擰鬆,擰出3~5mm,用鐵錘敲打拉杆,將葉輪打鬆後,卸下拉杆、葉輪和機械密封,在卸機械密封件時應手工操作,不可用金屬工具敲打,嚴防損壞。
5、檢修:清除泵殼、前後泵蓋、葉輪、jixiemifengzujianneidewuwu,bingchongshuaganjing,wusunhuaidekejixushiyong,jianzhajixiemifengliangduanmianyouwusunhuai,donghuanduanmianmosunhuohuashangjiaoshaodekeyongxijinxiangshafangzaipingbanjinxingmoping,kejixushiyong。
技術參數
型號 |
口徑(mm) |
流量 (m3/h) |
揚程 (m) |
電機功率(kw) |
轉速 (r/min) |
自吸高度(m) |
|
進口 |
出口 |
||||||
25FPZ-10 (自吸) |
25 |
25 |
2.5 |
10 |
0.75 |
2900 |
3 |
32FPZ-11 (自吸) |
32 |
25 |
3.5 |
11 |
0.75 |
2900 |
3 |
40FPZ-18(自吸) |
40 |
32 |
11 |
18 |
1.5 |
2900 |
4 |
50FPZ-20 (自吸) |
50 |
40 |
13 |
20 |
2.2 |
2900 |
4 |
65FPZ-25 (自吸) |
65 |
50 |
20 |
25 |
4 |
2900 |
4 |
80FPZ-32 (自吸) |
80 |
65 |
50 |
32 |
7.5 |
2900 |
4 |
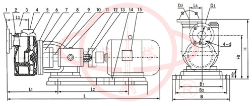
結構及安裝尺寸圖
1 |
進口法蘭 |
9 |
葉輪軸 |
![]() |
2 |
前泵蓋 |
10 |
支架 |
|
3 |
出口法蘭 |
11 |
加油蓋 |
|
4 |
注液體 |
12 |
拉杆螺絲 |
|
5 |
泵殼 |
13 |
聯軸器 |
|
6 |
葉輪 |
14 |
底板 |
|
7 |
後泵蓋 |
15 |
電機 |
|
8 |
機械密封 |
型號 |
L |
L1 |
L2 |
L3 |
L4 |
H |
H1 |
H2 |
B |
B2 |
B1 |
D1 |
D2 |
4-d |
25FPZ-10 |
460 |
290 |
100 |
110 |
60 |
260 |
190 |
50 |
150 |
110 |
110 |
100 |
85 |
12 |
32FPZ-11 |
460 |
290 |
100 |
110 |
60 |
260 |
190 |
50 |
150 |
110 |
110 |
100 |
85 |
18 |
40FPZ-18直聯式 |
560 |
345 |
100 |
110 |
70 |
285 |
200 |
50 |
190 |
140 |
140 |
110 |
100 |
18 |
40FPZ-18聯軸式 |
780 |
300 |
345 |
105 |
70 |
300 |
220 |
60 |
290 |
250 |
210 |
110 |
100 |
18 |
50FPZ-20直聯式 |
570 |
345 |
125 |
110 |
70 |
285 |
200 |
50 |
190 |
140 |
140 |
125 |
110 |
18 |
50FPZ-20聯軸式 |
790 |
290 |
345 |
105 |
70 |
300 |
220 |
60 |
290 |
250 |
210 |
125 |
110 |
18 |
65FPZ-28直聯式 |
670 |
400 |
140 |
145 |
80 |
340 |
250 |
50 |
240 |
190 |
190 |
145 |
125 |
18 |
65FPZ-28聯軸式 |
950 |
395 |
365 |
145 |
80 |
400 |
310 |
95 |
335 |
275 |
250 |
145 |
125 |
18 |
80FPZ-30 |
1030 |
422 |
385 |
175 |
110 |
420 |
325 |
100 |
380 |
330 |
255 |
150 |
145 |
18 |